廣東康明節能空調有限公司
聯 系 人:
王經理
聯系電話:
13728927868
公司郵箱:
km23055667@163.com
公司地址:
深圳市龍華區龍華大道2125號衛東龍商務大廈A座1916A

冷卻塔系統規范要求主機尺寸盡量匹配,以適應負載的變化,但此時連接冷凝器、水泵和冷卻塔是很麻煩的。
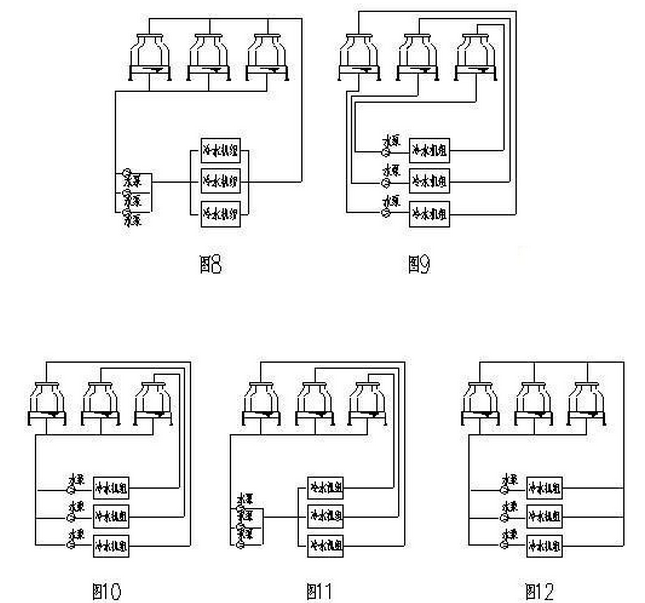
工程中,多臺冷卻塔并聯運行時,一般有5種配管方式,見圖8-12。

圖9 管道布置最為復雜,占用空間大,但流量分布合理,運行可靠性高。 圖8、圖10、圖11中的管線布置簡單,但經常出現溢流補水現象。 主要原因是:
1、一般在塔的進水管上安裝電動閥,出水管上不裝。 未運行的塔的進水閥關閉,但出水管已連接。 單臺機組運行時,所用冷卻塔的水盤水位升高,造成溢流,而其他不運行的冷卻塔的水盤不斷補水。
2、各塔配水不平衡,主要是管道布置問題。 有的塔進水管阻力小,出水管阻力大; 進水多進水少,導致溢出。 相反,有些塔會不斷補充水。
3、當幾個不同大小的冷卻塔連接在一起時,塔內水位不一樣,水盤低的塔難免會溢出。
基于以上問題,設計時要注意平衡問題,包括水位平衡和水量平衡。 聯合取水法通常采取以下措施:
1、圖8中,各冷卻塔進出水管均裝有電動閥,與水泵、冷卻塔風機聯鎖。
2、圖8、圖10、圖11中各冷卻塔(包括大小不同的塔)的水位應控制在同一高度,高度差不大于30mm。 塔間安裝冷卻塔平衡管,加大出水管公用管段直徑。
3、對于圖8和圖11,為了平衡每臺冷水機的水量,可以在每臺冷水機的出水口安裝一個平衡閥。 圖12 流水線布局簡單,系統流程易于平衡。 我們公司經常采用這種方法。
以上多臺冷卻塔并聯使用的注意事項今天先分享到這里啦,如果伙伴們也有冷卻塔相關問題或需求,可隨時與廣州維修冷卻塔廠家聯系,我們將提供免費咨詢服務。
本文鏈接:http://www.zwwl.com.cn/news/203.html